Ultraflex, Schalthebel B85 Segler

Art.- Nr.: A75235682

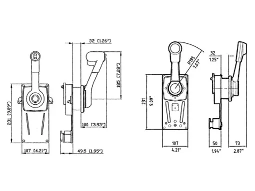
Der Schalthebel Ultraflex B85 Segler ist ein kompakter Schalthebel aus robustem Marinealuminium speziell für Segelboote. Dieser Schalthebel ist kürzer als das Standartmodell B183 und kann daher näher am Steuerrad montiert werden. Wie der B183 kann auch der B85 horizontal oder vertikal auf der Backbord- oder Steuerbordseite eingebaut werden und hat eine automatisch einrastende Neutralsicherheitssperre um unbeabsichtigtes Einkuppeln oder Vorwärts / Rückwärts- Durchschalten zu verhindern. Die Gängigkeit des Schalthebels kann über eine von außen verstellbare Bremse eingestellt werden. Als Zubehör kann der Neutralsicherheitsschalter X12, zum Blockieren des Anlassers bei eingelegtem Gang, nachgerüstet werden.

Der Ultraflex B183 kann mit den Schaltkabeln C2, C8, C14, MACHZero und MACH14, sowie mit Hilfe des Adapters K35 mit den Ultraflex Schaltkabeln C5, MACH5 und C16 verwendet werden.


Preis:
295,90 EUR
inkl. 19 % MwSt. zzgl. Versandkosten**
Ultraflex, Schalthebel B85 Segler


Ultraflex, Schalthebel B85 Segler
Ultraflex, Schalthebel B85 Segler